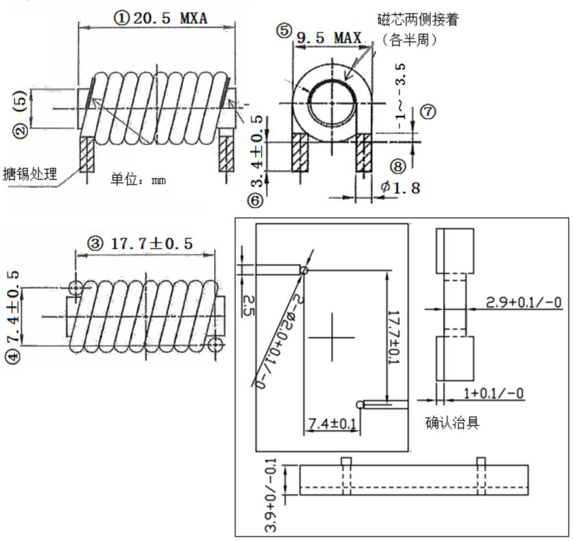
DKSR0520-1.7uH
电感量
Inductance:1.7μH ±20%
直流电阻
DCR:1.8mΩ MAX
测试频率
Test Conditio:10kHz、1V

製品の推奨
中山迪卡森電子有限会社は設計、研究開発、カスタマイズ、インダクタンス、変圧器などの電子部品を生産、販売するハイテク株式会社である。両会に焦点を当てる:代表委員は工業電器業界の建言に献策する
2022-05-20春の光が暖かく、春風が顔をなで、2009年春に開催された今回の両会では、代表委員の話題が集中している:国際金融危機に対応し、経…電子産業業界のアップグレードによる機会
2022-05-20電子情報産業の調整と計画細則は、今後3年間、電子情報産業はコンピュータ、電子部品など9つの重点分野をめぐって展開しなければな…ユビキタスネットワークの労働製御安全は初めて上海のネットワーク安全の事前案に組み入れられた。
2022-05-20上海市は正式に「上海市ネットワークと情報安全事件特別緊急対策」を発表し、この対策では情報安全事件の分類分類分類方法、緊急作…中国は集積回路の特別資金を建設する
2022-05-20中国の集積回路業界はここ2年来発展態勢が良好である。一方、市場需要は絶えず上昇している一方、国は絶えず利益のある政策を打ち…
中山市迪卡森電子有限公司
住所:中山市南朗街道第六工業区袁奇宇2号工場棟
携帯電話:0086-13925332826
Webサイト:http://www.zsdikas.com